◎ 烟气外循环,分层燃烧,NOx排放≤80mg/Nm3
◎ 适用于15~80T/H锅炉
◎ 燃烧器火焰几何尺寸可调节,已适应不同的炉瞠尺寸要求
◎ 全电子式比例调节,高调节精度,高燃烧效率
◎ 分体式设计,风机的选配和安装灵活,可适用不同背压的加热装置
◎ 空气动力学设计,运行噪声低
◎ 燃气压力保护,空气压力保护
◎ 燃气泄露自动检测,双重燃气阀组
◎ 安全的火焰监测系统
◎ 对炉膛进行预吹扫
◎ 燃烧器停机时,风门自动关闭
◎ 安装、调试及保养方便
◎ 可简单的换用不同类型的燃气(换用其他类型燃气,燃烧器参数将发生变化,详情请向燃烧器技术部门咨询)
|
|
![]() |
|
||||||||||||||||||||||||||||||||||||||||
|
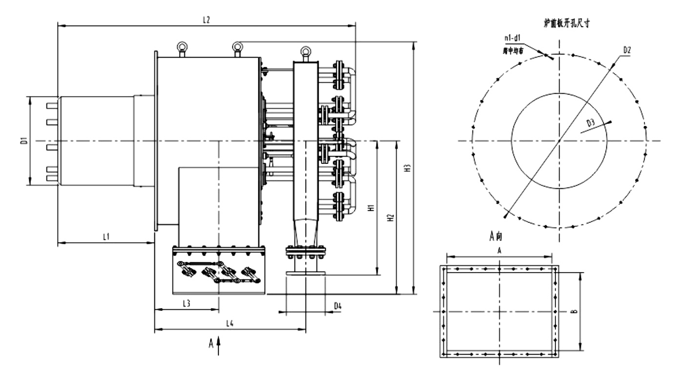
| 型号 | D1 | D2 | D3 | n1-d1 | D4 | L1 | L2 | L3 | L4 | H1 | H2 | H3 | AxB |
| THG105LN | 543 |
878 | 590 | 16-M20 | DN125 | 600 | 1940 | 423 | 1017 | 720 | 932 | 1409 | 537x450 |
| THG140LN | 645 | 1258 | 690 | 20-M16 | DN150 | 700 | 2160 | 464 | 1093 | 972 | 1110 | 1824 | 758 x566 |
| THG175LN | 693 | 1298 | 740 | 20-M16 | DN150 | 700 | 2160 | 464 | 1093 | 972 | 1110 | 1824 | 758 x566 |
| THG210LN | 754 | 1620 | 810 | 20-M20 | DN150 | 800 | 2700 | 643 | 1463 | 1157 | 1376 | 2242 | 902x780 |
| THG245LN | 834 | 1620 | 880 | 20-M20 | DN150 | 800 | 2700 | 643 | 1463 | 1157 | 1376 | 2242 | 902x780 |
| THG280LN | 884 | 1620 | 930 | 20-M20 | DN150 | 800 | 2700 | 643 | 1463 | 1157 | 1376 | 2242 | 902x780 |
| THG350LN | 940 | 1750 | 980 | 20-M20 | DN200 | 1000 | 2820 | 664 | 1426 | 1254 | 1538 | 2463 | 1290x800 |
| THG420LN | 980 | 1750 | 1020 | 20-M20 | DN250 | 1000 | 2820 | 664 | 1426 | 1254 | 1538 | 2643 | 1290x800 |
| THG560LN | 1080 | 2000 | 1120 | 24-M24 | DN250 | 1000 | 3626 | 800 | 1604 | 1494 | 1746 | 2824 | 1600x1000 |
扫描二维码